Appelez-nous maintenant
Ligne fixe: + 86-750-6688281
Téléphone: +86 - 13392072868
Téléphone: +86 - 13302589039
| État de disponibilité: | |
|---|---|
| Quantité: | |
| P Nom d'art | CX460 CX470 ENTRAÎNEMENT FINAL | |||||
| Équipement | Appliquer à l'excavateur de cas | |||||
| Partie no. | LN00102 | |||||
| Trous de cadre | 24 | |||||
| Pignon | 30 | |||||
| Condition d'article | Nouveau | |||||
| Logo | KG | |||||
| Poids brut | 938kg | |||||
| MOQ | 1 pc | |||||





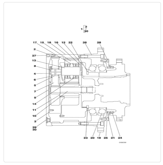
| Pos. | Partie No | Qty | Parts Nom | Commentaires |
|---|---|---|---|---|
| 1 et 1 | LN00102 | [1] | Unité de réduction des engins | SOMME Incl. 2 - 30 Remplacé par le numéro de pièce : LN003790 |
| 2 | LW00390 | [1] | COUVERTURE | SOMME |
| 3 et 3 | LX00045 | [1] | Transporteur de pignon | SUMPRORER |
| 4 | LA00844 | [3] | ÉPINGLE | SOMME |
| 5 | LB00789 | [3] | Roulement à aiguille | SOMME |
| 6. | LA00845 | [6] | RONDELLE | SOMME |
| 7 | LC00209 | [3] | Équipement planétaire | SOMME |
| 8 | 338W060Z036N | [3] | ÉPINGLE | SOMME Remplacé par le numéro de pièce : 338W060Z036B |
| 9. | LR00857 | [1] | PLAQUE | SOMME |
| 10 | LC00210 | [1] | Équipement solaire | SOMME |
| 11 | LC00211 | [1] | Équipement solaire | SOMME |
| 12 | LN00103 | [1] | Arbre, voiture planétaire | SOMME |
| 13 | LA00846 | [3] | ÉPINGLE | SOMME |
| 14 | LB011020 | [6] | Roulement à rouleaux | SOMME Remplace LB00831 |
| 15 | LC00212 | [3] | Équipement planétaire | SOMME |
| 16 | 338W100Z063Z | [3] | GOUJON | SOMME Remplacé par le numéro de pièce : 338W100Z063B |
| 17 | 380A1200Z | [6] | Snot | SOMME |
| 18 | LT00128 | [1] | LOGEMENT | SOMME |
| 19. | LC00213 | [1] | Bague | SOMME |
| 20 | LB00832 | [2] | ROULEMENT À BILLES | SOMME |
| 21 | LH00390 | [1] | TROUSSE | SOMME |
| 21 | LH00434 | [1] | CALE, épaisseur 2,0 mm | SOMME Si utilisé Remplacé par le numéro de pièce : LH00390 |
| 22 | LA00847 | [2] | Laveuse de verrouillage | SOMME |
| 23 | LS00212 | [1] | TITULAIRE | SOMME |
| 24 | LE00993 | [1] | JOINT | SOMME |
| 25 | LW00391 | [1] | COUVERTURE | SOMME |
| 26 | 108R020Y120B | [26] | BOULON | SOMME |
| 27 | 863-12030 | [25] | VIS HEX SOC,M12 x 30mm, Cl 12.9 | Ch |
| 28 | 863-10025 | [16] | VIS HEX SOC,M10 x 25mm, Cl 12.9 | CAS Remplacé par le numéro de pièce : 86625209 |
| 29 | LK00383 | [2] | PRISE | SOMME |
| 30 | 154503A1 | [2] | Joint torique | SOMME |
| P Nom d'art | CX460 CX470 ENTRAÎNEMENT FINAL | |||||
| Équipement | Appliquer à l'excavateur de cas | |||||
| Partie no. | LN00102 | |||||
| Trous de cadre | 24 | |||||
| Pignon | 30 | |||||
| Condition d'article | Nouveau | |||||
| Logo | KG | |||||
| Poids brut | 938kg | |||||
| MOQ | 1 pc | |||||





| Pos. | Partie No | Qty | Parts Nom | Commentaires |
|---|---|---|---|---|
| 1 et 1 | LN00102 | [1] | Unité de réduction des engins | SOMME Incl. 2 - 30 Remplacé par le numéro de pièce : LN003790 |
| 2 | LW00390 | [1] | COUVERTURE | SOMME |
| 3 et 3 | LX00045 | [1] | Transporteur de pignon | SUMPRORER |
| 4 | LA00844 | [3] | ÉPINGLE | SOMME |
| 5 | LB00789 | [3] | Roulement à aiguille | SOMME |
| 6. | LA00845 | [6] | RONDELLE | SOMME |
| 7 | LC00209 | [3] | Équipement planétaire | SOMME |
| 8 | 338W060Z036N | [3] | ÉPINGLE | SOMME Remplacé par le numéro de pièce : 338W060Z036B |
| 9. | LR00857 | [1] | PLAQUE | SOMME |
| 10 | LC00210 | [1] | Équipement solaire | SOMME |
| 11 | LC00211 | [1] | Équipement solaire | SOMME |
| 12 | LN00103 | [1] | Arbre, voiture planétaire | SOMME |
| 13 | LA00846 | [3] | ÉPINGLE | SOMME |
| 14 | LB011020 | [6] | Roulement à rouleaux | SOMME Remplace LB00831 |
| 15 | LC00212 | [3] | Équipement planétaire | SOMME |
| 16 | 338W100Z063Z | [3] | GOUJON | SOMME Remplacé par le numéro de pièce : 338W100Z063B |
| 17 | 380A1200Z | [6] | Snot | SOMME |
| 18 | LT00128 | [1] | LOGEMENT | SOMME |
| 19. | LC00213 | [1] | Bague | SOMME |
| 20 | LB00832 | [2] | ROULEMENT À BILLES | SOMME |
| 21 | LH00390 | [1] | TROUSSE | SOMME |
| 21 | LH00434 | [1] | CALE, épaisseur 2,0 mm | SOMME Si utilisé Remplacé par le numéro de pièce : LH00390 |
| 22 | LA00847 | [2] | Laveuse de verrouillage | SOMME |
| 23 | LS00212 | [1] | TITULAIRE | SOMME |
| 24 | LE00993 | [1] | JOINT | SOMME |
| 25 | LW00391 | [1] | COUVERTURE | SOMME |
| 26 | 108R020Y120B | [26] | BOULON | SOMME |
| 27 | 863-12030 | [25] | VIS HEX SOC,M12 x 30mm, Cl 12.9 | Ch |
| 28 | 863-10025 | [16] | VIS HEX SOC,M10 x 25mm, Cl 12.9 | CAS Remplacé par le numéro de pièce : 86625209 |
| 29 | LK00383 | [2] | PRISE | SOMME |
| 30 | 154503A1 | [2] | Joint torique | SOMME |